服務熱線
180-5003-0233

專利名稱:麻豆日逼网站的收卷裝置的製作方法
技術領域:
本實用新型屬於麻豆日逼网站技術領域,尤其涉及一種麻豆日逼网站的收卷裝置。
背景技術:
現有麻豆日逼网站在收卷過程中,高速運轉的膜料容易將空氣夾帶卷入卷材中,為了壓擠這些空氣,現有技術中,采用擺臂式的壓輥壓在卷材上,以及時排擠空氣。但上述結構存在以下問題工作過程中隨著卷材直徑不斷增大,壓輥必須隨著擺臂緩慢擺動,壓輥壓擠卷材角度的不斷變化,收卷壓力難以精確控製,影響收卷質量穩定。也正是由於上述原因,限製了現有麻豆日逼网站收卷速度一般隻能控製在150米/分鍾以下,如果超過這個速度,則會由於卷入太多空氣而形成亂流現象,嚴重影響收卷質量。
發明內容·[0003]本實用新型的目的是針對現有技術的上述不足而提供一種麻豆日逼网站的收卷裝置,它可以使麻豆日逼网站在高速收卷的情況下保持收卷質量穩定。為實現上述目的,本實用新型麻豆日逼网站的收卷裝置包括機架,機架上安裝有卷取輥和壓輥,其主要特點在於,在壓輥的左右兩側分別設有可推動壓輥前後直線移動的推壓機構;所述卷取輥的中心軸線剛好位於壓輥中心軸線前後移動方向的正前方。較好的是,所述每套推壓機構包括滑動塊、水平軌道、推壓氣缸,滑動塊可前後滑動地安裝在水平軌道上,滑動塊連接推壓氣缸;所述壓輥的兩端分別安裝在對應滑動塊上。更好的是,所述滑動塊為齒條,每根齒條對應齧接有齒輪,兩側的齒輪、齒條形狀相同;兩側的齒輪同軸固定連接在一起。這樣,兩齒輪同步轉動,可以保證兩側的齒條精確地同步前後移動,保證壓輥的兩端同步移動。收卷裝置還設有收卷轉盤,收卷轉盤可轉動地安裝在機架上,並設有用於固定收卷轉盤轉動角度的定位機構;所述卷取棍位於收卷轉盤上部的偏心位置,在收卷轉盤的下部還設有備用卷取輥,備用卷取輥和卷取輥分別位於收卷轉盤中心轉軸的相對兩側。在收卷轉盤同時有安裝卷取輥和備用卷取輥,是為了在卷取輥卷取完成後,收卷轉盤立即轉動,使原來的備用卷取輥立即轉動到收卷轉盤上部的偏心位置(即卷取位置)繼續卷取工作,而原來的卷取輥則同時轉動到收卷轉盤下部的偏心位置(即卸料位置)進行卸料工作,這樣,卸料與卷取可以同時進行,避免卸料時不能進行卷取而影響整條生產線。可見,在設有收卷轉盤的情況下,所謂“卷取輥”和“備用卷取輥”是根據它們的位置進行區分,當“卷取輥”跟隨轉盤轉動到卸料位置時,它就變成了“備用卷取輥”,而同時,原來的“備用卷取輥”就轉動到工作位置並變成為了 “卷取輥”。本實用新型具有以下優點和效果I、由於所述卷取輥的中心軸線剛好位於壓輥中心軸線前後移動方向的正前方,而且壓輥的移動方式采用水平前後直線移動的方式,這樣,收卷時在卷材直徑不斷增大過程中,不管壓輥向後平移到什麽位置,壓輥中心軸線都保持位於卷取輥的中心軸線的正後方,都可以使壓輥壓擠卷取輥的角度一直保持不變,使收卷壓力一直保持均勻,避免形成亂流現象,保證收卷質量。2、本實用新型由於采用壓輥與推壓氣缸連接,而卷取輥則不與推壓氣缸連接,這樣,才使卷取輥的位置可在收卷轉盤繞上收卷轉盤中心軸轉動,以便卷取輥和備用卷取輥進行角色互換。
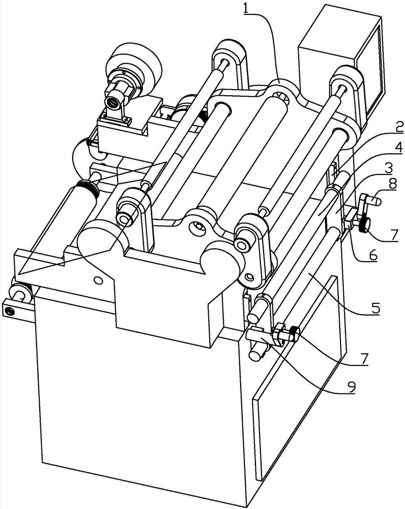
圖I是本實用新型一種實施例的工作使用狀態示意圖。圖2是圖I中麻豆日逼网站收卷裝置的結構原理示意圖。圖3是圖2中所示結構的俯視示意圖。圖4是推壓氣缸活塞杆、齒條移動水平軌道線、卷取輥、壓輥四者的幾何位置示意圖。
具體實施方式
為了使本實用新型的目的,技術方案及優點更加清楚明白,
以下結合附圖及實施例,對本實用新型進行進一步詳細說明。應當理解,此處所描述的具體實施例僅僅用以解釋本實用新型,並不用於限定本實用新型。圖I所示的麻豆日逼网站包括放卷機構I、分切刀2以及兩套收卷裝置。圖I、圖2、圖3所示,每套收卷裝置在機架上安裝有卷取輥3和壓輥4,在壓輥4的左右兩側分別設有可推動壓輥前後水平直線移動的推壓機構;所述每套推壓機構包括齒條5、齒輪6、水平軌道、推壓氣缸8,齒條5與齒輪6齧接,齒條5可前後滑動地安裝在水平軌道上,齒條5連接推壓氣缸8的活塞杆81 ;壓輥4的兩端分別安裝支承在對應齒條5上。每根壓輥兩側的齒輪6形狀相同,兩側的齒條5形狀也相同;兩側的齒輪6通過一根轉軸61固定連接在一起。圖2、圖4所示,卷取輥3的中心軸線剛好位於壓輥4中心軸線前後移動方向的正前方(圖4中箭頭方向表示齒條沿水平軌道向前運動的方向,壓輥4在齒條帶動下會同樣向前移動)。圖4所示,從豎向剖麵上看,卷取輥3的圓心為02,壓輥4的圓心為01,齒條5移動的水平軌道線為AB兩點連線,推壓氣缸活塞杆81中心軸線m與直線AB、直線0102三者平行。這樣,不管卷取輥3卷取的卷材10半徑如何變化,不管壓輥圓心01的位置如何前後位移,壓輥4中心軸線都保持位於卷取輥3的中心軸線的正後方,推壓氣缸活塞杆中心軸線m與直線AB、直線0102三者都一直保持平行,齒條5對壓輥中心01的推力作用線一直保持通過卷取輥的圓心02,這樣,使壓輥4壓在卷取輥3上的作用力角度一直保持不變,使收卷壓力一直保持均勻,保證收卷質量。圖I、圖2所示,該實施例的收卷裝置還設有收卷轉盤9,收卷轉盤9可轉動地安裝在機架上,並設有用於固定收卷轉盤轉動角度的定位機構,該定位機構包括位於收卷轉盤邊緣的兩個凹位91,以及一根可以壓入其中一個凹位的壓杆92,兩個凹位91關於收卷轉盤9的圓心對稱布置;在收卷轉盤的兩個偏心位置分別安裝有一根卷取輥3和一根備用卷取輥31,備用卷取輥31和卷取輥3分別位於收卷轉盤中心轉軸的相對兩側,也同樣是關於收卷轉盤的圓心對稱布置。當收卷轉盤9轉動,使壓杆92對準並壓入其中一個凹位91,就將收卷轉盤的轉動角度暫時固定下來,這時位於收卷轉盤上部偏心位置(即卷取位置)的為卷取輥,而位於收卷轉盤的下部偏心位置(即卸料位置)的為備用卷取輥。當位於上麵的卷取輥卷取完成後,可以將收卷轉盤轉動180度,使壓杆對準並壓入另一個凹位91,將收卷轉盤在另一種狀態下重新固定下來,使原來的“卷取輥”轉動到卸料位置,變成了“備用卷取輥”;而同時原來的“備用卷取輥”就轉動到卷取位置並變成為了 “卷取輥”。本實用新型尚有多種實施方式,凡采用等同變換或者等效變換而形成的所有技術方案,均落在本實用新型的保護範圍。·
權利要求1.一種麻豆日逼网站的收卷裝置,包括機架,機架上安裝有卷取輥和壓輥,其特征在於在壓輥的左右兩側分別設有可推動壓輥前後直線移動的推壓機構;所述卷取輥的中心軸線剛好位於壓棍中心軸線前後移動方向的正前方。
2.根據權利要求I所述的麻豆日逼网站的收卷裝置,其特征在於所述每套推壓機構包括滑動塊、水平軌道、推壓氣缸,滑動塊可前後滑動地安裝在水平軌道上,滑動塊連接推壓氣缸;所述壓輥的兩端分別安裝在對應滑動塊上。
3.根據權利要求2所述的麻豆日逼网站的收卷裝置,其特征在於所述滑動塊為齒條,每根齒條對應齧接有齒輪,兩側的齒輪、齒條形狀相同;兩側的齒輪同軸固定連接在一起。
4.根據權利要求1、2或3所述的麻豆日逼网站的收卷裝置,其特征在於收卷裝置還設有收卷轉盤,收卷轉盤可轉動地安裝在機架上,並設有用於固定收卷轉盤轉動角度的定位機構;所述卷取輥位於收卷轉盤上部的偏心位置,在收卷轉盤的下部還設有備用卷取輥,備用卷取輥和卷取輥分別位於收卷轉盤中心轉軸的相對兩側。
專利摘要一種麻豆日逼网站的收卷裝置,包括機架,機架上安裝有卷取輥和壓輥,其主要特點在於,在壓輥的左右兩側分別設有可推動壓輥前後直線移動的推壓機構;所述卷取輥的中心軸線剛好位於壓輥中心軸線前後移動方向的正前方;所述每套推壓機構包括滑動塊、水平軌道、推壓氣缸,滑動塊可前後滑動地安裝在水平軌道上,滑動塊連接推壓氣缸;所述壓輥的兩端分別安裝在對應滑動塊上。本實用新型可以使麻豆日逼网站在高速收卷的情況下保持收卷質量穩定,使收卷壓力一直保持均勻,避免形成亂流現象。
文檔編號B65H19/30GK202518848SQ20122018171
公開日2012年11月7日 申請日期2012年4月24日 優先權日2012年4月24日
發明者上官躍峰, 熊亞東, 羅偉雄 申請人:深圳坤弘印務有限公司