服務熱線
180-5003-0233

基於離散pid和錐度張力控製的薄膜麻豆日逼网站張力調節方法
技術領域
1.本發明屬於張力調節技術領域,尤其涉及基於離散pid和錐度張力控製的薄膜麻豆日逼网站張力調節方法。
背景技術:
2.隨著手持終端、移動設備的不斷發展,對高集成化的要求越來越高,對器件體積要求越來越小,對作為電子行業主要元件的電容同樣提出很高的要求,其中薄膜電容由於其穩定,無極性,自愈性,成為電子行業電容的主流產品。薄膜電容小型化的基礎在於其原料金屬化薄膜的小規格化。而小規格產品的開發中,高精度麻豆日逼网站就成為關鍵設備,原料金屬化薄膜需通過高精度麻豆日逼网站分隔成超小塊。目前國內的薄膜電容都集中在3.8μm以上,大多數都是4.8~6.8μm的薄膜電容為主,這部分市場早已飽和,而相對的2μm厚度以下的薄膜電容,為國外主導,國產化率極低,這部分產品年需求量約2萬噸,國內目前隻有少數幾家可以生產,采用的是全套進口設備,年產能不足千噸,且質量不穩定,成品率較低,造成這一情況主要是由於國內無法生產滿足2μm厚度以下薄膜電容分切的高精度麻豆日逼网站。
3.從麻豆日逼网站整體功能出發,整個設備包括開卷、分切和收卷三部分組成,其主要是將整張的料金屬化薄膜縱向分切和複卷,張力控製是整台設備中最關鍵的控製技術,卷繞過程中薄膜徑向的伸張程度即卷繞張力,張力偏高容易引起麻豆免费视频下载形變,嚴重時將直接斷裂;張力偏低,收卷過程無法實現統一處理,生產質量下降;而張力失去穩定性時,容易造成薄膜線速度受到影響,鬆緊性出現差異,帶來更多的次品或者廢品。也就是說麻豆日逼网站張力控製的穩定性決定了分切後產品的質量,現有技術的麻豆日逼网站無法滿足這一要求。
技術實現要素:
4.為解決上述問題,本發明的目的是提供基於離散pid和錐度張力控製的薄膜麻豆日逼网站張力調節方法,該方法使得張力控製穩定、可靠性高。
5.為實現上述目的,本發明的技術方案為:
6.基於離散pid和錐度張力控製的薄膜麻豆日逼网站張力調節方法,包括如下步驟:
7.s1:測得薄膜的實時張力值f;
8.s2:測得收卷軸的實時直徑d;
9.s3:通過分段錐度張力模型得到最佳張力值f0;
10.s4:通過磁粉製動器控製放卷軸扭矩,使所述放卷軸和牽引軸之間的所
11.述薄膜實時張力值f調整到所述最佳張力值f0;
12.s5:將所述實時張力值f與最佳張力值f0進行差值比較得到張力偏移值δf,將所述張力偏移值δf信號傳入離散pid控製器,通過所述離散pid控製器控製收卷電機扭矩,使所述牽引軸與所述收卷軸之間的所述薄膜實時張力值f調整到所述最佳張力值f0。
13.根據本發明一實施例,s1中通過張力傳感器測得所述薄膜的所述實時張力值f。
14.根據本發明一實施例,s5中:
15.當所述張力傳感器所測角度在0°至20°之間時,使用所述離散pid控製器中第一段補償所述收卷電機伺服驅動器脈衝頻率;
16.當所述張力傳感器所測角度在20°至40°之間時,使用所述離散pid控製器中第一段補償所述收卷電機伺服驅動器脈衝頻率;
17.所述伺服驅動器將控製信號發送給所述收卷電機以改變其扭矩。
18.根據本發明一實施例,s2中,測得收卷線速度v、收卷電機轉速n、牽引軸直徑d,設兩個收卷周期為n1和n2,所述收卷軸的實時直徑d通過如下公式得到:
[0019][0020][0021]其中,t為當前時刻;dn為第n個收卷周期輸出的收卷軸直徑;tn為第n個收卷周期輸出收卷軸直徑的時刻。
[0022]根據本發明一實施例,通過測得所述牽引軸轉速和直徑d測得所述收卷線速度v。
[0023]根據本發明一實施例,所述收卷電機轉速n和所述牽引軸轉速均通過轉速傳感器測得。
[0024]根據本發明一實施例,s2中,當所述收卷軸的實時直徑d=1.5d0時,進行s3‑s5步驟,d0為所述收卷軸的初始直徑。
[0025]本發明由於采用以上技術方案,使其與現有技術相比具有以下的優點和積極效果:
[0026](1)本發明通過s1‑s5步驟,實現了薄膜收放卷過程中穩定的張力控製,防止了薄膜卷產生褶皺,可靠性高。
[0027](2)本發明當張力傳感器所測角度在0°至20°
之間、在20°至40°之間時分別采用離散pid控製器中的兩端補償控製,實現在不同張力數值下,進行更精確的計算,以實現盡可能快的改正偏移量,提高係統的準確性和可靠性,實現分段錐度張力控製。
附圖說明
[0028]
下麵結合附圖對本發明的具體實施方式作進一步詳細說明,其中:
[0029]
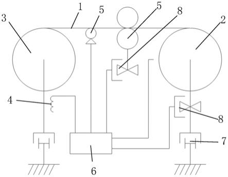
圖1為本發明的整體架構示意圖;
[0030]
圖2為本發明的架構連接結構框圖;
[0031]
圖3為本發明的放卷部分張力控製流程圖;
[0032]
圖4為本發明的收卷部分張力控製流程圖;
[0033]
圖5為本發明的張力控製方法流程圖;
[0034]
圖6為本發明的收卷張力分段曲線;
[0035]
圖7為本發明的采用分段錐度控製後內張力分布曲線。
[0036]
附圖標記說明:
[0037]
1:薄膜;2:收卷軸;3:放卷軸;4:磁粉製動器;5:牽引軸;6:離散pid控製器;7:收卷電機;8:轉速傳感器。
具體實施方式
[0038]
以下結合附圖和具體實施例對本發明作進一步詳細說明。根據下麵說明和權利要求書,本發明的優點和特征將更清楚。需說明的是,附圖均采用非常簡化的形式且均使用非精準的比率,僅用以方便、明晰地輔助說明本發明實施例的目的。
[0039]
需要說明,本發明實施例中所有方向性指示(諸如上、下、左、右、前、後
……
)僅用於解釋在某一特定姿態(如附圖所示)下各部件之間的相對位置關係、運動情況等,如果該特定姿態發生改變時,則該方向性指示也相應地隨之改變。
[0040]
參看圖1至7,本發明的核心是提供一種基於離散pid和錐度張力控製的薄膜麻豆日逼网站張力調節方法,包括如下步驟:
[0041]
s1:測得薄膜1的實時張力值f;
[0042]
具體的,通過張力傳感器測得薄膜1的實時張力值f,測得的實時張力值f傳輸至控製器。
[0043]
s2:測得收卷軸2的實時直徑d;
[0044]
具體的,薄膜1麻豆日逼网站在正常工作過程中,各工位的薄膜1實時線速度保持一致,用比率計算方法根據牽引軸5與收卷軸2和放卷軸3的線速度相同、角速度與直徑成正比之一特點,通過建立兩者的比率關係方程得到實時直徑d。通過分別在牽引軸5、收卷軸2和放卷軸3上安裝計數脈衝用的編碼器和基準脈衝用編碼器,在單位時間內得到計數脈衝個數和基準脈衝個數,將脈衝數轉化為角速度從而建立比例關係:
[0045][0046]
式中,m代表基準脈衝編碼器旋轉一周產生的脈衝個數;n代表計數脈衝個數;n為計數脈衝編碼器旋轉一周產生的脈衝個數;d代表牽引軸5直徑。
[0047]
比例計算方法利用了薄膜1收卷過程中線速度與角速度的比率關係來求解實時直徑d,不需要檢測麻豆免费视频下载厚度,因此求解精度較高。
[0048]
但是利用比率計算直徑時,以單個脈衝作為采樣基準,由於采樣時間太短,計算所得前後直徑變化不明顯。同時機械製造與裝配誤差、張力的突變、外部環境因素等都會對計算結果產生影響。為了提高計算準確,采用積分算法進行優化。由於在實際工作過程中,薄膜1傳送的線速度與收放卷角速度不是定值,因此對其進行積分優化,積分優化後得到收放卷長度與收卷軸2轉動弧度的關係式:
[0049][0050]
式中,s為收放卷薄膜1長度。
[0051]
再測得收卷線速度v、收卷電機7轉速n、牽引軸5直徑d,通過測得牽引軸5轉速和直徑d測得收卷線速度v,收卷電機7轉速n和牽引軸5轉速均通過轉速傳感器8測得。設兩個收卷周期為n1和n2,積分算法中得到的每個計算周期內的實時直徑d,是利用計算周期n1內收卷軸2轉過的弧度與角度的比值計算而來,如下公式得到:
[0052]
[0053][0054]
其中,t為當前時刻;d
n
為第n個收卷周期輸出的收卷軸2直徑;t
n
為第n個收卷周期輸出收卷軸2直徑的時刻。
[0055]
這種方法算法結構簡單、實用性強;計算值線性變化,穩定性高;直徑輸出是周期內的平均值,計算結果精度高,可以滿足薄膜1麻豆日逼网站的張力控製要求。
[0056]
收卷部分的收卷電機7轉速收到私服放大器的信號改變電機扭矩,使薄膜1張力穩定符合分段錐度張力在設定值允許的範圍內。
[0057]
當收卷軸2的實時直徑d=1.5d0時,進行s3
‑
s5步驟,d0為收卷軸2的初始直徑。
[0058]
s3:通過分段錐度張力模型得到最佳張力值f0;
[0059]
具體的,為防止相同的收卷張力時,隨著收卷軸2直徑的逐漸增大,對收卷軸2的扭矩正比例增加,導致了麻豆免费视频下载層間的位移力加大,薄膜1層的位移力大於最大靜摩擦力時,層間將會滑移,從而導致了麻豆免费视频下载起皺、端麵出現凹凸、軸向竄動等質量問題。因此,為了減少收卷過程中的褶皺發生頻率高的問題,需要通過分段錐度張力模型得到最佳張力值f0,即在不同卷徑時采用與之對應的收卷張力曲線,最大限度地減小因為設備穩定性及原麻豆免费视频下载厚薄不均等偶然因素對收卷造成的影響。
[0060]
同時,在為了保證收卷質量而提高初始收卷張力的情況下,較為平穩的內部張力避免了恒力矩收卷時內部張力過大而造成的薄膜1拉伸及摩擦因數上升問題,同時也不會出現因為結束張力過小而導致膜麵竄卷的現象。
[0061]
采用錐度張力收卷有一個特點,即在靠近卷芯的地方通常會出現一個內張力最低點,這個位置的薄膜1在收卷時,一旦出現一些偶然因素,如原麻豆免费视频下载蕩邊、機器張力不穩定等,就可能導致收卷變鬆,從而產生皺折。恒力矩收卷則存在初始張力過大、張力下降過快、結束張力過小等問題,會導致卷膜內部拉伸、摩擦因數上升、複合膜表麵竄卷等問題,實用應用也存在一定局限性,這就要求隨收卷軸2直徑的增大,卷曲張力要遞減,實時直徑d在1d0~1.5d0處褶皺發生的概率最高,以d=1.5d0作為減張力和減力矩的分界點,進行分段錐度張力控製,以保證收卷出的薄膜1無褶皺。實時直徑d從d0增加到1.5d0時,薄膜1內張力均保持較為平穩的水平,和恒力矩相比並沒有發生劇烈下降;當實時直徑d達到1.5d0後,薄膜1的內張力開始下降,實現所謂“內緊外鬆"的收卷效果,卷內張力分布如圖6所示。
[0062]
此時,由於收卷後的薄膜1靠近卷芯的地方具有較大內張力,可以最大限度地減小因設備穩定性及原麻豆免费视频下载厚薄不均等偶然因素對收卷造成的影響。同時,在為了保證收卷質量而提高初始收卷張力的情況下,較為平穩的內部張力避免了恒力矩收卷時內部張力過大而造成的薄膜1拉伸及摩擦因數上升問題,同時也不會出現因為結束張力過小而導致膜麵竄卷的現象,使用分段錐度張力控製後卷內張力分布如圖7所示。
[0063]
s4:通過磁粉製動器4控製放卷軸3扭矩,使放卷軸3和牽引軸5之間的薄膜1實時張力值f調整到最佳張力值f0;
[0064]
具體的,基於張力傳感器測得的實時張力值f與最佳張力值f0對比,放卷時張力f是主動力,若原料進給速度恒定,由於放卷軸3的卷徑和轉動慣量隨時間而減小,而放卷軸3的角速度逐漸增大,張力就會增大,因此要保證張力恒定,必須引入張力反饋,使用磁粉製動器4產生一個反向阻力緩衝放卷軸3在高速運行中產生的慣性,使張力穩定在設定值允許
的範圍內。控製器根據張力傳感器所測得的薄膜1實時張力值f與最佳張力值f0對比來判斷是否進行張力矯正。如張力出現偏差,則通過設置磁粉製動器4驅動和放卷電機驅動來改變磁粉製動阻力和放卷電機扭矩,來實現錐度張力控製。基於薄膜1實時張力值f與最佳張力值f0的差值,利用磁粉製動器4,產生阻力來緩衝放卷軸3在高速運行中產生的慣性,磁粉製動器4根據電磁原理,利用磁粉來傳遞扭矩,製動扭矩mz與勵磁電流在一定範圍內成正比例,可以看做是一種接近線性的調節裝置。將其安裝在放卷軸3上,可以產生一個反向阻力矩來緩衝放卷軸3在高速運行中產生的慣性,因此可以通過控製磁粉製動器4的阻力矩(即控製電流)來調節放卷軸3的張力大小。通過張力傳感器獲得薄膜1實時張力值f數據,通過張力放大器後再與最佳張力值f0進行比較的得到張力偏移δf,通過磁粉驅動器控製磁粉製動器4對薄膜1張力進行修正。
[0065]
s5:將實時張力值f與最佳張力值f0進行差值比較得到張力偏移值δf,將張力偏移值δf信號傳入離散pid控製器6,通過離散pid控製器6控製收卷電機7扭矩,使牽引軸5與收卷軸2之間的薄膜1實時張力值f調整到最佳張力值f0。
[0066]
具體的,張力執行部件是收卷電機7,收卷電機7為伺服電機,以扭矩控製方式進行張力控製。薄膜1收卷過程實時張力值f由張力傳感器轉換為電量並放大信號反饋到離散pid控製器6的輸入端,最佳張力值f0與實時張力值f經過比較運算後得到偏差值δf,伺服驅動器將偏差值δf轉換為頻率指令傳給收卷電機7,收卷電機7通過調節收卷軸2的卷曲速度實現張力的補償控製。
[0067]
為了防止非線性係統的強耦合、非線性與實時性,本文采用基於積分分離的pid控製算法。當被控製量與設定值的誤差較大時,取消積分環節,抑製超調量,提高了係統的穩定性;當被控量與設定值相近時,積分算法可以用來消除靜差,提高了張力控製係統的精準度。
[0068][0069]
式中:e(k)是k時刻輸入輸入的差值,t1是采樣周期,k
p
、k
i
、k
d
分別為比例、積分、微分係數,υ是積分想的開關係數,ε為實際係統設定的閾值。
[0070][0071]
為了進一步提高控製係統的穩定性,減少收卷過程中的張力波動,麻豆直播传媒下载再引入離散pid控製,具體方法如下:
[0072]
當張力傳感器所測角度在0°
至20°
之間時,使用所述離散pid控製器6中第一段補償收卷電機7伺服驅動器脈衝頻率;
[0073][0074]
為張力傳感器所測角度在0°
至20°
之間時離散pid控製器6的增益值,通過實驗測定好的張力—轉速增益表獲得。
[0075]
當張力傳感器所測角度在20°
至40°
之間時,使用離散pid控製器6中第一段補
償收卷電機7伺服驅動器脈衝頻率;
[0076][0077]
為張力傳感器所測角度在20°
至40°
之間時離散pid控製器6的增益值,通過實驗測定好的張力—轉速增益表獲得。
[0078]
然後將計算獲得的偏移量δf,傳送給伺服驅動器,伺服驅動器將控製信號發送給收卷電機7以改變其扭矩,以對張力進行補償控製,實現了在不同張力數值下,進行更精確的計算,以實現盡可能快的改正偏移量δf,提高係統的準確性和可靠性。然後將計算獲得的數據,傳送給伺服驅動器,修正收卷電機7扭矩對張力進行補償控製,實現分段錐度張力控製。
[0079]
本發明張力傳感器實時張力值f、收卷線速度v、收卷電機7轉速n為輸入,磁粉製動器4驅動信號和收卷電機7控製器信號為輸出,適用於不同材質薄膜1在不同張力下的張力穩定控製,放卷側使用磁粉製動,中和放卷軸3在高速運行中產生的慣性,調節放卷部分薄膜1的張力大小,收卷側利用張力傳感器對薄膜1張力進行檢測,使用比率計算積分算法計算出收卷軸2實時張力值f,采用離散pid控製算法對收卷電機7轉矩進行修正,實現薄膜1張力錐度控製,達到在不同薄膜1張力偏移下,薄膜1張力的快速修正。提高薄膜1張力控製的準確性和可靠性,從而提高金屬化薄膜1電容器產品的合格率。
[0080]
上麵結合附圖對本發明的實施方式作了詳細說明,但是本發明並不限於上述實施方式。即使對本發明作出各種變化,倘若這些變化屬於本發明權利要求及其等同技術的範圍之內,則仍落入在本發明的保護範圍之中。
技術特征:
1.基於離散pid和錐度張力控製的薄膜麻豆日逼网站張力調節方法,其特征在於,包括如下步驟:s1:測得薄膜的實時張力值f;s2:測得收卷軸的實時直徑d;s3:通過分段錐度張力模型得到最佳張力值f0;s4:通過磁粉製動器控製放卷軸扭矩,使所述放卷軸和牽引軸之間的所述薄膜實時張力值f調整到所述最佳張力值f0;s5:將所述實時張力值f與最佳張力值f0進行差值比較得到張力偏移值δf,將所述張力偏移值δf信號傳入離散pid控製器,通過所述離散pid控製器控製收卷電機扭矩,使所述牽引軸與所述收卷軸之間的所述薄膜實時張力值f調整到所述最佳張力值f0。2.根據權利要求1所述的基於離散pid和錐度張力控製的薄膜麻豆日逼网站張力調節方法,其特征在於,s1中通過張力傳感器測得所述薄膜的所述實時張力值f。3.根據權利要求2所述的基於離散pid和錐度張力控製的薄膜麻豆日逼网站張力調節方法,其特征在於,s5中:當所述張力傳感器所測角度在0°
至20°
之間時,使用所述離散pid控製器中第一段補償所述收卷電機伺服驅動器脈衝頻率;當所述張力傳感器所測角度在20°
至40°
之間時,使用所述離散pid控製器中第一段補償所述收卷電機伺服驅動器脈衝頻率;所述伺服驅動器將控製信號發送給所述收卷電機以改變其扭矩。4.根據權利要求1所述的基於離散pid和錐度張力控製的薄膜麻豆日逼网站張力調節方法,其特征在於,s2中,測得收卷線速度v、收卷電機轉速n、牽引軸直徑d,設兩個收卷周期為n1和n2,所述收卷軸的實時直徑d通過如下公式得到:,所述收卷軸的實時直徑d通過如下公式得到:其中,t為當前時刻;d
n
為第n個收卷周期輸出的收卷軸直徑;t
n
為第n個收卷周期輸出收卷軸直徑的時刻。5.根據權利要求4所述的基於離散pid和錐度張力控製的薄膜麻豆日逼网站張力調節方法,其特征在於,通過測得所述牽引軸轉速和直徑d測得所述收卷線速度v。6.根據權利要求5所述的基於離散pid和錐度張力控製的薄膜麻豆日逼网站張力調節方法,其特征在於,所述收卷電機轉速n和所述牽引軸轉速均通過轉速傳感器測得。7.根據權利要求1所述的基於離散pid和錐度張力控製的薄膜麻豆日逼网站張力調節方法,其特征在於,s2中,當所述收卷軸的實時直徑d=1.5d0時,進行s3
‑
s5步驟,d0為所述收卷軸的初始直徑。
技術總結
本發明公開了基於離散PID和錐度張力控製的薄膜麻豆日逼网站張力調節方法,包括如下步驟:S1:測得薄膜的實時張力值F;S2:測得收卷軸的實時直徑D;S3:通過分段錐度張力模型得到最佳張力值F0;S4:通過磁粉製動器控製放卷軸扭矩,使所述放卷軸和牽引軸之間的所述薄膜實時張力值F調整到所述最佳張力值F0;S5:將所述實時張力值F與最佳張力值F0進行差值比較得到張力偏移值ΔF,將所述張力偏移值ΔF信號傳入離散PID控製器,通過所述離散PID控製器控製收卷電機扭矩,使所述牽引軸與所述收卷軸之間的所述薄膜實時張力值F調整到所述最佳張力值F0。該方法使得張力控製穩定、可靠性高。可靠性高。可靠性高。
技術研發人員:郝英奇 謝鯤 丁新 劉征宇
受保護的技術使用者:上海應用技術大學
技術研發日:2021.02.08
技術公布日:2021/6/7